91111威斯尼斯人
网站首页
走进91111威斯尼斯人
企业简介
组织架构
企业荣誉
企业文化
企业理念
新闻中心
集团新闻
党建园地
91111威斯尼斯人经纬
91111威斯尼斯人产业
建材板块
山东91111威斯尼斯人晶石水泥有限公司
山东91111威斯尼斯人水泥有限公司
山东91111威斯尼斯人水泥集团有限公司
枣庄91111威斯尼斯人水泥有限公司
91111威斯尼斯人(枣庄)水泥有限公司
山东91111威斯尼斯人晶石建材有限公司
煤电板块
山东91111威斯尼斯人矿业集团有限责任公司
枣庄91111威斯尼斯人矿业有限责任公司
枣庄市金庄生建煤矿
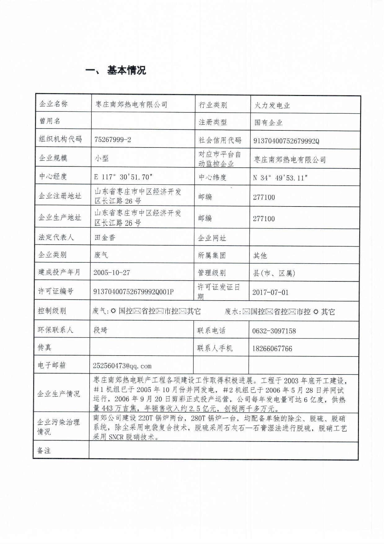
枣庄南郊热电有限公司
新兴产业板块
山东91111威斯尼斯人科技公司
枣庄绿色能源投资发展集团有限公司
现代服务板块
枣庄开元凤鸣山庄商务有限公司
91111威斯尼斯人山东91111威斯尼斯人物流中心
枣庄开元凤鸣山庄商务公司枣庄分公司
人力资源
政策规定
社保之窗
招聘信息
招标采购
产品中心
效能投诉
联系我们
Previous
Next
1
2
信息公开
企业信息公开
环保排污公示
应急预案公示
信息公开
当前位置:
网站首页
>
信息公开
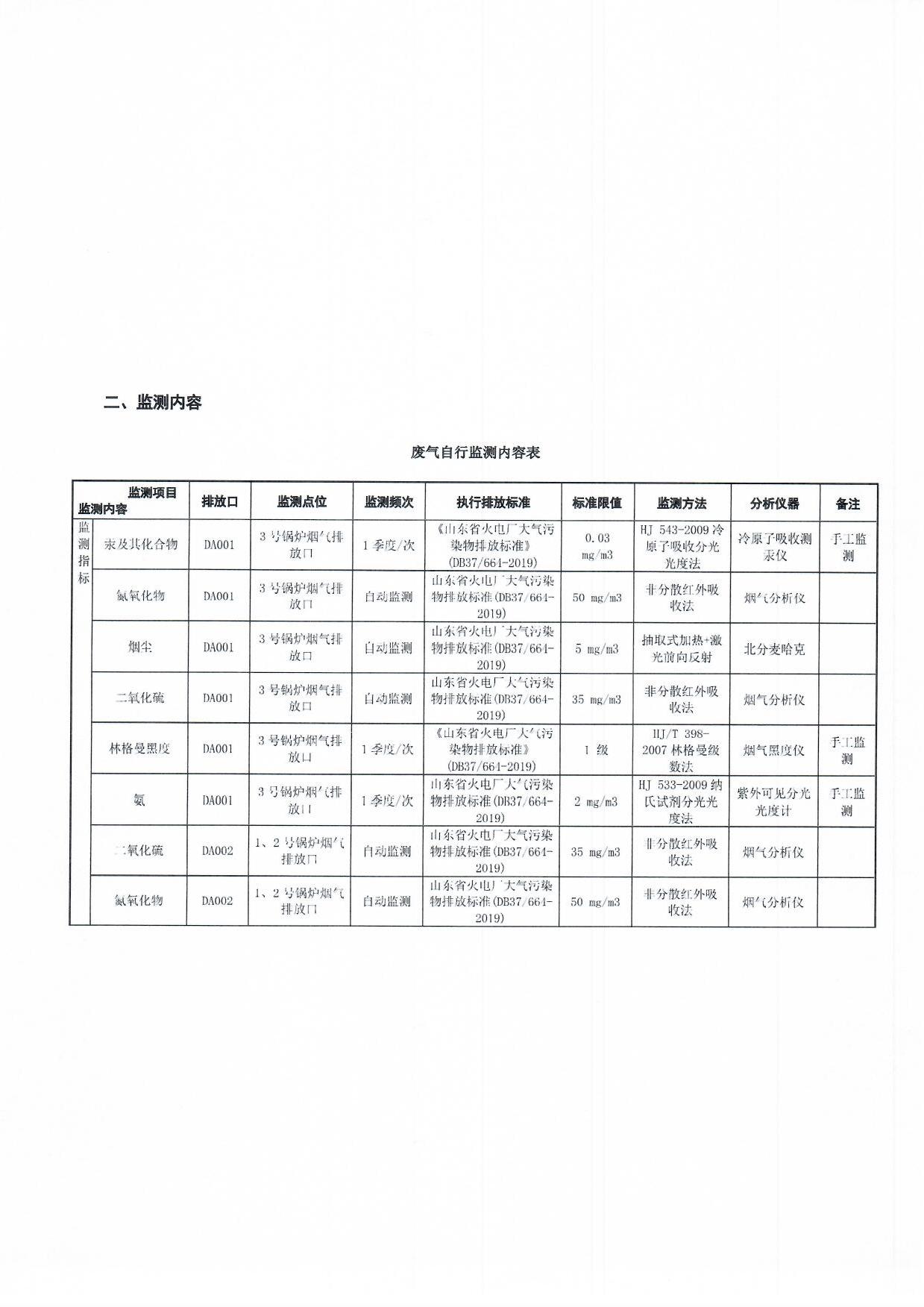
枣庄南郊热电有限公司自行监测方案2.1
时间:
2021/1/12 14:21:08
点击:
次
------分隔线----------------------------
上一篇:
枣庄南郊热电有限公司2020年自行监测年度报告
下一篇:
山东91111威斯尼斯人新型建材有限公司清洁生产审核信息公开
关于91111威斯尼斯人
|
联系我们
|
通讯地址:成都市高新区蜀锦路68号
|
山东91111威斯尼斯人能源集团 版权所有
|
技术支持:集团信息化办公室
版权所有
版权所有 2022
XML 地图